संभाव्य ट्रान्सफॉर्मर पीटी
सबस्टेशनमध्ये 13.8 Kv सिंगल फेज संभाव्य ट्रान्सफॉर्मर
  • सबस्टेशनमध्ये 13.8 Kv सिंगल फेज संभाव्य ट्रान्सफॉर्मरसबस्टेशनमध्ये 13.8 Kv सिंगल फेज संभाव्य ट्रान्सफॉर्मर

सबस्टेशनमध्ये 13.8 Kv सिंगल फेज संभाव्य ट्रान्सफॉर्मर

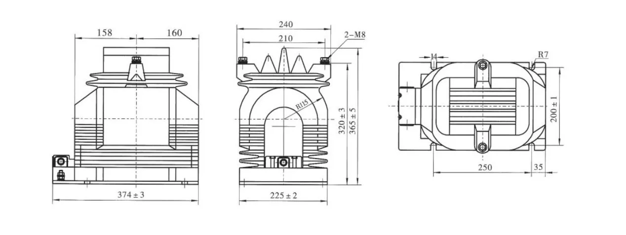
सबस्टेशनमध्ये विश्वासार्ह 13.8 kv सिंगल फेज संभाव्य ट्रान्सफॉर्मर तयार करण्यासाठी, Wenzhou XiFa इलेक्ट्रिक पॉवर इक्विपमेंट कंपनी, लिमिटेड प्रीमियम CRGO इलेक्ट्रिकल स्टीलचा मुख्य मटेरियल म्हणून दत्तक घेते ज्यामुळे तोटा कमी होतो आणि अचूकता वर्ग सुधारला जातो आणि कॉइलची मुख्य सामग्री म्हणून उच्च शक्तीची तांब्याची तार ही कॉइलची मुख्य सामग्री म्हणून वळण आणि वळण वळण सुनिश्चित करण्यासाठी प्रीसीओ टर्निंग सुनिश्चित करते. यापुढे, प्रत्येक 13.8 kv सिंगल फेज संभाव्य ट्रान्सफॉर्मर सबस्टेशनमधील इपॉक्सी रेझिन व्हॅक्यूम कास्टिंगची निर्मिती प्रक्रिया स्वीकारतो ज्यामुळे ओलावा शोषून घेणे सोपे नसते, जे उष्ण, दमट आणि धुळीच्या वातावरणासाठी योग्य असते.

उत्पादन वैशिष्ट्ये:

सबस्टेशनमधील एक 13.8 Kv सिंगल फेज पोटेंशियल ट्रान्सफॉर्मर 13.8 kv च्या प्राथमिक व्होल्टेजला 100 किंवा 110 व्होल्ट सारख्या मानक दुय्यम व्होल्टेजमध्ये खाली आणण्यासाठी डिझाइन केले आहे. कमी व्होल्टेज नंतर उपकरणे आणि संरक्षणात्मक रिले मोजण्यासाठी समांतर विंडिंगला पुरवले जाते, ज्यामुळे प्राथमिक व्होल्टेज मोजमाप कमी व्होल्टेज साधनांसह अप्रत्यक्षपणे करता येते. असा दृष्टीकोन इन्स्ट्रुमेंट डिझाइन सुलभ करतो, खर्च वाचवतो आणि उपकरणे आणि ऑपरेटिंग कर्मचाऱ्यांची सुरक्षा सुनिश्चित करतो.


13.8 kv सिंगल फेज संभाव्य ट्रान्सफॉर्मरचे कार्य तत्त्व पॉवर वितरण ट्रान्सफॉर्मर सारखेच आहे, ज्यापैकी प्राथमिक आणि दुय्यम कॉइलमधील वळणांच्या संख्येनुसार परिवर्तनाचे प्रमाण निश्चित केले जाते. दुय्यम वळणांची संख्या वाढवल्याने गुणोत्तर कमी होते, तर प्राथमिक वळणांची संख्या वाढल्याने ते वाढते. हे लक्षात घेणे महत्वाचे आहे की कोणत्याही परिस्थितीत 13.8 kv सिंगल फेज संभाव्य ट्रान्सफॉर्मरचे दुय्यम सर्किट ऑपरेशन दरम्यान शॉर्ट सर्किट होऊ नये.

13 8 Kv Single Phase Potential Transformer In Substation

तांत्रिक तपशील:

प्रकार रेट केलेले व्होल्टेज प्रमाण (kV) अचूकता वर्ग अचूकता वर्ग आणि रेटेड आउटपुट cosΦ=0.8 कमाल. आउटपुट (VA)
0.2 0.5 1 ६(पी)
JDZ11-15 (१५/√3)/(०.१/√3)/(०.१/३) 0.2/6P 0.5/6P 1/6P 30 80 150 100 400
JDZ11-20 (२०/√3)/(०.१/√3)/(०.१/३)
JDZ11-15 (१५/√3)/(०.१/√3)/(०.१/√3)/(०.१/३) ०.२/०.२/६पी ०.२/०.५/६पी 15 20 N/A 100 2*200
JDZX11-20 (20/√3)/(0.1/√3)/(0.1/√3)/(0.1/3)

13 8 Kv Single Phase Potential Transformer In Substation

उत्पादन FAQ:

प्रश्न: 13.8 kv सिंगल फेज संभाव्य ट्रान्सफॉर्मर 13.8 kv पॉवर ट्रान्सफॉर्मरपेक्षा कसा वेगळा आहे?

उ: दोन्ही व्होल्टेज कन्व्हर्टिंग डिव्हाइसेस असताना, 13.8 kv सिंगल फेज संभाव्य ट्रान्सफॉर्मर पॉवर ट्रान्सफर ऐवजी मोजमाप आणि संरक्षणासाठी डिझाइन केले आहे. त्याचे रेट केलेले ओझे तुलनेने लहान आहे, सामान्यतः VA मध्ये व्यक्त केले जाते, तर पॉवर ट्रान्सफॉर्मर मोठ्या मूल्यामध्ये लोड हाताळतात जे kVA किंवा MVA मध्ये मोजले जातात.


प्रश्न: 13.8 kv सिंगल फेज संभाव्य ट्रान्सफॉर्मरवर कोणत्या इन्सुलेशन पद्धती वापरल्या जातात?

उ: बहुतेकसंभाव्य ट्रान्सफॉर्मरया व्होल्टेज स्तरावर इनडोअर सेवेसाठी इपॉक्सी रेझिन कास्ट इन्सुलेशन किंवा बाहेरच्या स्थापनेसाठी पोर्सिलेन/सिलिकॉन हाउसिंगचा वापर करा. काही डिझाईन्स विस्तारित सेवा आयुष्य आणि उच्च थर्मल क्षमता प्राप्त करण्यासाठी तेल बुडवलेल्या इन्सुलेशनचा वापर करतात.


प्रश्न: सबस्टेशनमध्ये 13.8 केव्ही सिंगल फेज संभाव्य ट्रान्सफॉर्मर कसा जोडला जावा?

A: फेज ते ग्राउंड मापनासाठी, PT प्राइमरी एक फेज आणि ग्राउंड दरम्यान जोडलेली असते. थ्री फेज सिस्टीममध्ये, सिंगल फेज पीटीचा संच किंवा तीन फेज पीटी युनिटचा वापर लाइन टू लाइन आणि लाइन टू ग्राउंड व्होल्टेज मोजण्यासाठी केला जाऊ शकतो.


प्रश्न: सबस्टेशन्समध्ये 13.8 केव्ही सिंगल फेज संभाव्य ट्रान्सफॉर्मरमध्ये कोणत्या समस्या उद्भवू शकतात?

उ: सामान्य समस्यांमध्ये इन्सुलेशन डिग्रेडेशन, विशिष्ट स्विचिंग स्थितींमध्ये फेरेसोनन्स, अति ओझ्यामुळे अति तापणे आणि दुय्यम सर्कीट ओपन कंडिशन ज्यामुळे धोकादायकपणे उच्च व्होल्टेज होऊ शकतात.



हॉट टॅग्ज: सबस्टेशन पुरवठादारामध्ये १३.८ Kv सिंगल फेज संभाव्य ट्रान्सफॉर्मर, सबस्टेशन संभाव्य ट्रान्सफॉर्मर घाऊक
चौकशी पाठवा
संपर्क माहिती
  • पत्ता

    नं. 391, जिंगकी रोड, यानपान औद्योगिक क्षेत्र, युएकिंग सिटी, झेजियांग प्रांत, चीन

  • दूरध्वनी

    +86-577-62731111

  • ई-मेल

    info@xifaele.com

तुमचे कोटेशन लवकरात लवकर मिळवण्यासाठी

XiFa- तुमचा विश्वासार्ह विद्युत उपकरण पुरवठादार
X
आम्ही तुम्हाला एक चांगला ब्राउझिंग अनुभव देण्यासाठी, साइट रहदारीचे विश्लेषण करण्यासाठी आणि सामग्री वैयक्तिकृत करण्यासाठी कुकीज वापरतो. ही साइट वापरून, तुम्ही आमच्या कुकीजच्या वापरास सहमती देता. गोपनीयता धोरण
नकार द्या स्वीकारा