वर्तमान ट्रान्सफॉर्मर सीटी
शून्य क्रम Ct वर्तमान ट्रान्सफॉर्मर डोनट प्रकार
  • शून्य क्रम Ct वर्तमान ट्रान्सफॉर्मर डोनट प्रकारशून्य क्रम Ct वर्तमान ट्रान्सफॉर्मर डोनट प्रकार
  • शून्य क्रम Ct वर्तमान ट्रान्सफॉर्मर डोनट प्रकारशून्य क्रम Ct वर्तमान ट्रान्सफॉर्मर डोनट प्रकार

शून्य क्रम Ct वर्तमान ट्रान्सफॉर्मर डोनट प्रकार

घन गुणवत्तेचे शून्य अनुक्रम सीटी वर्तमान ट्रान्सफॉर्मर डोनट प्रकार तयार करण्यासाठी, वेन्झो XiFa इलेक्ट्रिक पॉवर इक्विपमेंट कं, लिमिटेड चांगल्या दर्जाच्या आणि स्पर्धात्मक किंमतीसह कच्चा माल स्वीकारते. वळण प्रक्रियेत, प्रत्येक शून्य अनुक्रम सीटी वर्तमान ट्रान्सफॉर्मर डोनट प्रकारासाठी विद्युत चालकता आणि यांत्रिक सामर्थ्य सुनिश्चित करण्यासाठी वेन्झो XiFa ऑक्सिजन मुक्त तांबे इनॅमल्ड वायरचा अवलंब करते. दरम्यान, कोर उत्पादनाच्या प्रक्रियेत, वेन्झो XiFa उच्च चुंबकीय पारगम्यता सिलिकॉन स्टील शीट वापरते ज्यामुळे लहान शून्य अनुक्रम करंटला संवेदनशील प्रतिसादावर उत्कृष्ट कार्यप्रदर्शन होते.

शून्य अनुक्रम सीटी करंट ट्रान्सफॉर्मर हे एकच वळण आहे, शून्य अनुक्रम प्रवाहांचे निरीक्षण करण्यासाठी पॉवर सिस्टममध्ये वापरल्या जाणाऱ्या कोर उपकरणाद्वारे. हे संरक्षणात्मक रिलेंग सिस्टमचा एक महत्त्वपूर्ण घटक म्हणून काम करते, जे प्रामुख्याने जमिनीतील दोष शोधण्यासाठी, गळतीचे प्रवाह आणि इन्सुलेशन मॉनिटरिंगसाठी वापरले जाते. तीन फेज करंट्सचा वेक्टर बेरीज आणि परिणामी शून्य अनुक्रम करंट संवेदना करून, शून्य अनुक्रम ct वर्तमान ट्रान्सफॉर्मर कमी वर्तमान ग्राउंडिंग सिलेक्टर्स, डिजिटल हार्मोनिक सप्रेशन डिव्हाइसेस आणि रिले संरक्षण युनिट्ससह संरक्षण ऑपरेशन्स ट्रिगर करू शकतो आणि फॉल्ट ॲलर्ट प्रदान करू शकतो आणि पॉवर डिस्कनेक्ट करू शकतो.

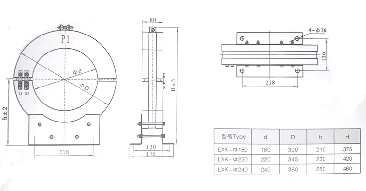
संरचनात्मकदृष्ट्या, शून्य अनुक्रम सीटी करंट ट्रान्सफॉर्मरमध्ये इपॉक्सी रेझिन किंवा सिलिकॉन रबर हाऊसिंगमध्ये टोरॉइडल कोर आणि दुय्यम विंडिंग समाविष्ट आहे, ज्यामुळे संरक्षणावर ओलावा प्रतिरोध आणि प्रदूषण फ्लॅश प्रदान केला जातो. इन्स्टॉलेशन पर्यायांमध्ये सॉलिड समाविष्ट आहे, ज्यासाठी प्री-पास केबल्स आणि स्प्लिट कोअर डिझाइन आवश्यक आहेत, जे केबल डिस्कनेक्ट न करता रीट्रोफिट करण्यास परवानगी देतात.

हे 50 Hz पॉवर सिस्टमशी सुसंगत आहे, जे ग्राउंडेड आणि अनग्राउंड सिस्टमसह विविध तटस्थ पॉइंट कॉन्फिगरेशनसाठी आवश्यक संवेदनशीलता आणि रेखीयता प्रदान करते. झिरो सीक्वेन्स सीटी करंट ट्रान्सफॉर्मर स्मार्ट ग्रिड, रेल्वे ट्रांझिट, बिल्डिंग इलेक्ट्रिकल सिस्टीम आणि औद्योगिक उपकरणे मॉनिटरिंगमध्ये मोठ्या प्रमाणावर लागू केले जातात, ज्यामुळे विश्वसनीय दोष शोधणे आणि सिस्टम संरक्षण प्रदान केले जाते.

Zero Sequence Ct Current Transformer Donut TypeZero Sequence Ct Current Transformer Donut Type

प्रकार रिलेचा प्रकार कनेक्शन पद्धत स्केल मूल्य प्राथमिक वर्तमान प्रकार रिलेचा प्रकार कनेक्शन पद्धत स्केल मूल्य प्राथमिक वर्तमान
LXK-Φ80 LXK-Φ100 LXK-Φ120 LXK-Φ150 DD11/60 मालिका १५*१ 2.4-4.5 LXK-Φ180 LXK-Φ220 LXK-Φ240 DD11/60 मालिका १५*१ 2.4-4.5
३०*१ ३०*१
समांतर १५*२ 3-5 समांतर १५*२ 3-5
३०*२ ३०*२
DD1/60 मालिका १५*१ 3-5 DD1/60 मालिका १५*१ 3-5
३०*१ ३०*१
समांतर १५*२ 3-6 समांतर १५*२ 3-6
३०*२ ३०*२

Zero Sequence Ct Current Transformer Donut Type

उत्पादन FAQ:

प्रश्न: डोनट प्रकार शून्य अनुक्रम सीटी करंट ट्रान्सफॉर्मर म्हणजे काय?

डोनट टाईप झिरो सिक्वेन्स सीटी करंट ट्रान्सफॉर्मर हे थ्री फेज सिस्टीममध्ये शून्य अनुक्रम प्रवाह शोधण्यासाठी डिझाइन केलेले थ्रू कोर डिव्हाइस आहे. त्याचा टॉरॉइडल कोर प्राथमिक कंडक्टरला मध्यभागी जाण्याची परवानगी देतो, जमिनीतील दोष, गळती प्रवाह आणि इन्सुलेशन परिस्थितीचे अनाहूत निरीक्षण प्रदान करते.

प्रश्न: डोनट टाइप झिरो सिक्वेन्स सीटी वर्तमान ट्रान्सफॉर्मर आउटपुट सिग्नल कसा देतो?

A: डोनट प्रकार शून्य अनुक्रम सीटी करंट ट्रान्सफॉर्मर उच्च अचूक विंडिंग आणि रोगोव्स्की कॉइल तंत्रज्ञानाचा वापर करून शून्य अनुक्रम प्रवाहाचे प्रमाणिक व्होल्टेज किंवा दुय्यम प्रवाहात रूपांतर करतो. हे आउटपुट जलद आणि अचूक दोष शोधण्यासाठी रिले, मीटर आणि मॉनिटरिंग सिस्टमशी सुसंगत आहे.

प्रश्न: डोनट प्रकार शून्य अनुक्रम सीटी करंट ट्रान्सफॉर्मरचे विशिष्ट अनुप्रयोग काय आहेत?

A: डोनट प्रकार शून्य अनुक्रम सीटी करंट ट्रान्सफॉर्मर सामान्यतः यामध्ये वापरला जातो:

1.ग्राउंड फॉल्ट संरक्षण आणि गळती वर्तमान शोध;

2. वीज वितरण प्रणालींमध्ये तटस्थ बिंदू निरीक्षण;

3. डिजिटल संरक्षण रिले, हार्मोनिक सप्रेशन डिव्हाइसेस आणि स्मार्ट ग्रिड मॉनिटरिंग सिस्टमसह एकत्रीकरण.

4.औद्योगिक उपकरणे, इलेक्ट्रिकल नेटवर्क तयार करणे आणि रेल्वे संक्रमण प्रणाली.




हॉट टॅग्ज: झिरो सिक्वेन्स सीटी करंट ट्रान्सफॉर्मर, डोनट टाइप सीटी, ग्राउंड फॉल्ट प्रोटेक्शन ट्रान्सफॉर्मर
चौकशी पाठवा
संपर्क माहिती
  • पत्ता

    नं. 391, जिंगकी रोड, यानपान औद्योगिक क्षेत्र, युएकिंग सिटी, झेजियांग प्रांत, चीन

  • दूरध्वनी

    +86-577-62731111

  • ई-मेल

    info@xifaele.com

तुमचे कोटेशन लवकरात लवकर मिळवण्यासाठी

XiFa- तुमचा विश्वासार्ह विद्युत उपकरण पुरवठादार
X
आम्ही तुम्हाला एक चांगला ब्राउझिंग अनुभव देण्यासाठी, साइट रहदारीचे विश्लेषण करण्यासाठी आणि सामग्री वैयक्तिकृत करण्यासाठी कुकीज वापरतो. ही साइट वापरून, तुम्ही आमच्या कुकीजच्या वापरास सहमती देता. गोपनीयता धोरण
नकार द्या स्वीकारा