वर्तमान ट्रान्सफॉर्मर सीटी
जखमेचा प्रकार 5p10 5p20 Ct 100 150 400 5a
  • जखमेचा प्रकार 5p10 5p20 Ct 100 150 400 5aजखमेचा प्रकार 5p10 5p20 Ct 100 150 400 5a

जखमेचा प्रकार 5p10 5p20 Ct 100 150 400 5a

उच्च दर्जाचे संभाव्य ट्रान्सफॉर्मर आणि वर्तमान ट्रान्सफॉर्मर पुरवठा करण्यासाठी, Wenzhou XiFa Electric Power Equipment Co., Ltd ग्राहकांना उत्पादन आणि पुरवठा जखमेच्या प्रकार 5p10 5p20 ct 100 150 400 5a सारख्या सानुकूलित सेवेचे समर्थन करते. WenZhou XiFa इलेक्ट्रिकमध्ये, उत्पादक संघ 100/5a 10p10 0.5 करंट ट्रान्सफॉर्मर सारख्या रेग्युलर टाईप करंट ट्रान्सफॉर्मरची इन्व्हेंटरी ठेवतो, जेणेकरून जलद वितरण सुनिश्चित होईल. तथापि, कंपनी विविध विजेची मागणी पूर्ण करण्यासाठी सानुकूलित सेवेचे समर्थन करते जसे की पुरवठा करंट ट्रान्सफॉर्मर ज्याचा संरक्षण वर्ग 5p10 किंवा 5p20 आहे.

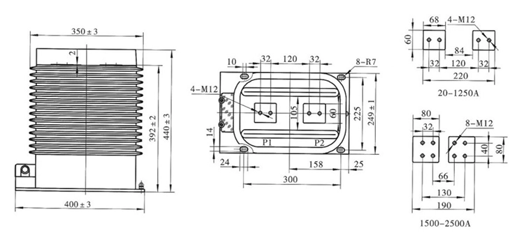
जखमेचा प्रकार करंट ट्रान्सफॉर्मर 10kv 20kv आणि 35kv सारख्या मध्यम व्होल्टेज पॉवर सिस्टममध्ये विश्वसनीय वर्तमान मापन आणि संरक्षणासाठी डिझाइन केलेले आहे. 100/5A, 150/5A, आणि 400/5A च्या वर्तमान गुणोत्तरांमध्ये उपलब्ध आहे आणि 5P10 आणि 5P20 च्या संरक्षण अचूकतेच्या वर्गासह, हा जखम प्रकार 5p10 5p20 ct 100 150 400 5a अचूक दुय्यम आउटपुट आणि दुय्यम आउटपुट रीमीटर वापरण्यासाठी अचूक प्रदान करतो.

घन चुंबकीय कोर आणि दुय्यम कॉइलसह निर्मित, जखमेचा प्रकार करंट ट्रान्सफॉर्मर शॉर्ट सर्किट परिस्थितीत स्थिर कामगिरी सुनिश्चित करतो आणि क्षणिक घटनांमध्ये देखील अचूक वर्तमान परिवर्तन प्रदान करतो. त्याची मजबूत इन्सुलेशन प्रणाली, बहुतेक वेळा इपॉक्सी किंवा उच्च दर्जाचे राळ समाविष्ट करते, सुरक्षितता, दीर्घ सेवा आयुष्य आणि ओलावा आणि पर्यावरणीय तणावाचा प्रतिकार सुनिश्चित करते.

रिले संरक्षण योजनांसाठी विश्वासार्ह समर्थन प्रदान करण्यासाठी जखमेच्या प्रकाराचे डिझाइन स्विचगियर, नियंत्रण पॅनेल आणि वितरण बोर्डमध्ये लवचिक स्थापना करण्यास अनुमती देते. जखमेचा प्रकार करंट ट्रान्सफॉर्मर औद्योगिक वनस्पती, व्यावसायिक सुविधा आणि उपयुक्तता वितरण नेटवर्कसाठी आदर्श आहे जेथे ऑपरेशनल मॉनिटरिंग आणि संरक्षणात्मक नियंत्रण दोन्हीसाठी अचूक आणि विश्वासार्ह वर्तमान मापन आवश्यक आहे.

Wound Type 5p10 5p20 Ct 100 150 400 5a

तांत्रिक तपशील:

प्रकार प्राथमिक रेट केलेले वर्तमान (A) अचूकता वर्ग अचूकता वर्ग आणि रेटेड आउटपुट cosΦ=0.8 शोरी-टाइम थर्मल करंट (kA/S) रेट केलेले डायनॅमिक करंट (kA)
0.2 (से) ०.५ (से) 10P10
LZZBJ9-35 20-100 0.2/0.2 0.2/0.5 0.2/5P20 0.5/5P20 0.2/0.5/5P 0.2/5P/5P 10 10 15 150I1n 375I1n
150-200 31.5 80
300-500 ३१.५/२ 80
६००-१२५० 15 30 20 ३१.५/४ 80
1500-2000 20 40 30 40/4 125
2500 20 40 20 40/4 125


प्रकार प्राथमिक रेट केलेले वर्तमान (A) अचूकता वर्ग क्षमता (VA) शोरी-टाइम थर्मल करंट (kA/S) रेट केलेले डायनॅमिक करंट (kA)
LZZBJ9-35 10 0.2/10P10 0.5/10P10 0.2/5P20 0.5/5P20 0.2/0.5/10P10 0.2/0.5/5P20 0.2/10P10/5P20 0.5/10P10/5P20 १५/२० २०/२० १५/२० २०/२० १५/२०/२० १५/२०/२० १५/२०/२० २०/२०/२० 1.5/1 3.75
20 2/1 5
30 3/1 7.5
40 4/1 10
50 ५/१ 12.5
75 ७.५/१ 18.75
100 10/1 25
150 १५/१ 37.5
200 20/1 50
300 ३१.५/१ 80
400 ३१.५/२ 80
500 ३१.५/२ 80
600 ३१.५/२ 80
800 ३१.५/३ 80
1000 ३१.५/३ 80
1200 ३१.५/३ 80
1500 ३१.५/३ 80
2000 ३१.५/३ 80

Wound Type 5p10 5p20 Ct 100 150 400 5a

उत्पादन FAQ:

प्रश्न: जखमेच्या प्रकार 5p10 5p20 ct 100 150 400 5a मध्ये “जखमे-प्रकार 5P10” किंवा “5P20” चा अर्थ काय आहे?

A: "जखमेचा प्रकार" हा शब्द CT ला संदर्भित करतो जेथे प्राथमिक कंडक्टर बसबार किंवा कोरमधून बार न करता जखमेच्या वळणाचा असतो. वर्ग 5P10 किंवा 5P20 संरक्षण अचूकता दर्शवितो: 5P म्हणजे रेट केलेल्या दुय्यम प्रवाहात 5% पर्यंत त्रुटी, आणि संख्या 10 किंवा 20 ही निर्दिष्ट त्रुटी ओलांडल्याशिवाय रेट केलेल्या प्राथमिक करंटचा जास्तीत जास्त अनुज्ञेय अल्पकालीन गुणाकार आहे.

प्रश्न: मी माझ्या सिस्टमसाठी योग्य CT रेटिंग कसे निवडू?

A: तुमच्या सिस्टमच्या कमाल लोड वर्तमान आणि संरक्षण आवश्यकतांवर आधारित CT निवडा. उदाहरणार्थ, 100/5A CT 100 A च्या आसपास ठराविक प्रवाह असलेल्या सर्किटसाठी योग्य आहे, तर 400/5A उच्च-वर्तमान फीडरसाठी डिझाइन केलेले आहे. रिलेच्या दोष शोधण्याच्या संवेदनशीलतेनुसार आणि अपेक्षित शॉर्ट सर्किट करंटनुसार संरक्षण वर्ग (5P10 किंवा 5P20) निवडा.

प्रश्न: कोणती पर्यावरणीय परिस्थिती जखमेच्या प्रकार 5p10 5p20 ct 100 150 400 5a हाताळू शकते?

A: या जखमेच्या प्रकाराचे वर्तमान ट्रान्सफॉर्मर सामान्यत: -10 °C ते +40 °C पर्यंत, 1000 मीटरच्या कमाल उंचीसह सभोवतालच्या तापमानासाठी रेट केले जातात. औद्योगिक आणि उपयुक्तता सेटिंग्जमध्ये विश्वसनीय संरक्षण कार्यप्रदर्शन सुनिश्चित करण्यासाठी, गृहनिर्माण सामग्री आणि इन्सुलेशन प्रणाली आर्द्रता, धूळ आणि प्रदूषण प्रतिरोधक ऑपरेशनसाठी डिझाइन केल्या आहेत.




हॉट टॅग्ज: जखमेचा प्रकार 5p10 5p20 Ct 100 150 400 5a, वर्तमान ट्रान्सफॉर्मर पुरवठादार, मीटरिंग ट्रान्सफॉर्मर घाऊक
चौकशी पाठवा
संपर्क माहिती
  • पत्ता

    नं. 391, जिंगकी रोड, यानपान औद्योगिक क्षेत्र, युएकिंग सिटी, झेजियांग प्रांत, चीन

  • दूरध्वनी

    +86-577-62731111

  • ई-मेल

    info@xifaele.com

तुमचे कोटेशन लवकरात लवकर मिळवण्यासाठी

XiFa- तुमचा विश्वासार्ह विद्युत उपकरण पुरवठादार
X
आम्ही तुम्हाला एक चांगला ब्राउझिंग अनुभव देण्यासाठी, साइट रहदारीचे विश्लेषण करण्यासाठी आणि सामग्री वैयक्तिकृत करण्यासाठी कुकीज वापरतो. ही साइट वापरून, तुम्ही आमच्या कुकीजच्या वापरास सहमती देता. गोपनीयता धोरण
नकार द्या स्वीकारा