वर्तमान ट्रान्सफॉर्मर सीटी
राळ कास्ट इलेक्ट्रिकल सीटी करंट ट्रान्सफॉर्मर
  • राळ कास्ट इलेक्ट्रिकल सीटी करंट ट्रान्सफॉर्मरराळ कास्ट इलेक्ट्रिकल सीटी करंट ट्रान्सफॉर्मर
  • राळ कास्ट इलेक्ट्रिकल सीटी करंट ट्रान्सफॉर्मरराळ कास्ट इलेक्ट्रिकल सीटी करंट ट्रान्सफॉर्मर

राळ कास्ट इलेक्ट्रिकल सीटी करंट ट्रान्सफॉर्मर

Wenzhou XiFa Electric Power Equipment Co., Ltd हे रेझिन कास्ट इलेक्ट्रिकल सीटी करंट ट्रान्सफॉर्मरचे उत्पादन करण्यासाठी एक व्यावसायिक उत्पादन आहे जेथे 10 kv ते 35 kv इलेक्ट्रिकल स्विचगियर वापरतात. Wenzhou XiFa मध्ये, उत्पादक संघ वर्तमान ट्रान्सफॉर्मरच्या बाजूला असलेले बुडबुडे काढून टाकण्यासाठी आणि पृष्ठभागावरील आंशिक डिस्चार्ज टाळण्यासाठी व्हॅक्यूम वातावरणात इपॉक्सी राळ टाकत आहे. दरम्यान, व्होल्टेज रेझिस्टन्स आणि दीर्घकालीन स्थिरता यावर चांगली कामगिरी करण्यासाठी राळ कास्ट इलेक्ट्रिकल सीटी करंट ट्रान्सफॉर्मर मल्टी लेयर इन्सुलेशन स्ट्रक्चर म्हणून डिझाइन केले आहे.

रेझिन कास्ट इलेक्ट्रिकल सीटी करंट ट्रान्सफॉर्मर हे इनडोअर, इपॉक्सी रेजिन, व्हॅक्यूम कास्ट, पोस्ट टाईप युनिट आहे जे 50 हर्ट्झच्या रेट केलेल्या वारंवारतेसह 10kv व्होल्टेज लेव्हल पॉवर सिस्टमसाठी डिझाइन केलेले आहे. हे प्रामुख्याने वर्तमान मोजमाप, ऊर्जा मीटरिंग आणि संरक्षणात्मक रिलेंगसाठी वापरले जाते.

रेझिन कास्ट इलेक्ट्रिकल सीटी करंट ट्रान्सफॉर्मर पूर्णपणे बंद केलेल्या इपॉक्सी रेजिन कास्टिंग प्रक्रियेचा अवलंब करतो, ज्यामध्ये कोर उच्च दर्जाच्या चुंबकीय सामग्रीपासून बनविला जातो आणि कोरसह प्राथमिक आणि दुय्यम दोन्ही कॉइल्स राळमध्ये एम्बेड केलेल्या असतात. हे बांधकाम इन्सुलेशन, ओलावा प्रतिरोध आणि प्रदूषण प्रतिरोध यावर उत्कृष्ट कार्यप्रदर्शन प्रदान करते. रेझिन कास्ट इलेक्ट्रिकल सीटी करंट ट्रान्सफॉर्मरच्या पृष्ठभागाला अतिरिक्त कोटिंगची आवश्यकता नसते आणि वर्तमान ट्रान्सफॉर्मर एकाधिक स्थानांवर स्थापित केला जाऊ शकतो.

श्रेणी 0.2S आणि 0.5S सारखे दोन्ही मोजमाप वर्ग आणि संरक्षण वर्ग, जसे की 10P10 आणि 10P20 समाविष्ट करते. रेझिन कास्ट इलेक्ट्रिकल सीटी करंट ट्रान्सफॉर्मरवर बहु-गुणोत्तर डिझाइन उपलब्ध आहे, जेणेकरुन ते मेटल क्लेड इलेक्ट्रिकल पॅनल्समध्ये वापरण्यासाठी योग्य असेल.

Resin Cast Electrical Ct Current TransformerResin Cast Electrical Ct Current Transformer

तांत्रिक तपशील:

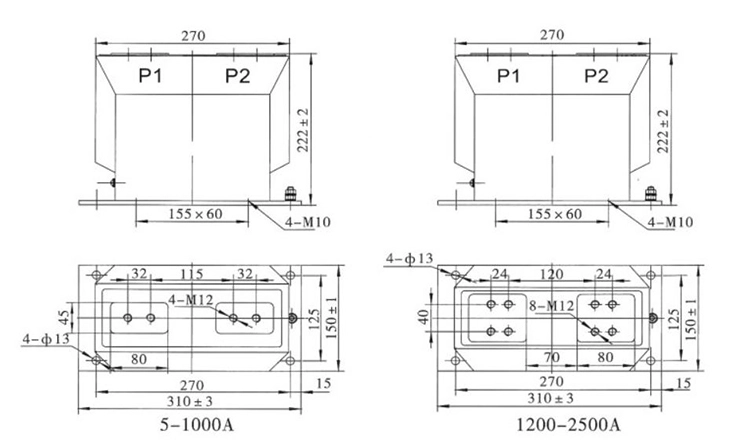
प्रकार प्राथमिक रेट केलेले वर्तमान (A) अचूकता वर्ग अचूकता वर्ग आणि रेटेड आउटपुट cosΦ=0.8 शोरी-टाइम थर्मल करंट (kA/S) रेट केलेले डायनॅमिक करंट(kA)
0.2 (से) ०.५ (से) 10P10 10P15 10P20
LZZBJ9-10 5-150 0.2s/0.5 0.2s/10P 0.2/10P 0.5s/10P 0.5/10P 10 10 15 15 10 100I1n 250I1n
200-300 31.5 80
400-500 45 112
600-1000 63 130
1200-1500 80 160
2000-2500 100 180

Resin Cast Electrical Ct Current Transformer

उत्पादन FAQ:

प्रश्न: रेझिन कास्ट इलेक्ट्रिकल सीटी करंट ट्रान्सफॉर्मर निवडताना कोणते तांत्रिक मापदंड तपासले पाहिजेत?

A: निवडताना खालील मुख्य पॅरामीटर्स तपासले जातील:

1.अचूकता वर्ग: मीटरिंग/मापन (उदा. 0.2s किंवा 0.5) आणि संरक्षण हेतूंसाठी (उदा. 10P10, 5P10, इ.).

2. रेट केलेले प्राथमिक प्रवाह आणि दुय्यम प्रवाह (परिवर्तन गुणोत्तर).

3. शॉर्ट टाईम थर्मल करंट (Ith) आणि कमी वेळ करंट सहन करण्याची क्षमता (दोष परिस्थितीसाठी).

4. इन्सुलेशन पातळी (व्होल्टेज विसस्टँड, आवेग व्होल्टेज रेटिंग इ.).

5.पर्यावरण सहनशीलता: तापमान श्रेणी, उंची, आर्द्रता, प्रदूषण पातळी.

6.ओझे: VA लोड दुय्यम अचूकता कमी न करता चालवणे आवश्यक आहे.

प्रश्न: राळ कास्ट इलेक्ट्रिकल सीटी करंट ट्रान्सफॉर्मर कोणत्या वातावरणात किंवा अनुप्रयोगांमध्ये विशेषतः योग्य आहेत?

उ: राळ कास्ट इलेक्ट्रिकल सीटी करंट ट्रान्सफॉर्मरसाठी खालील वातावरण किंवा अनुप्रयोग योग्य आहेत:

1.इनडोअर स्विचगियर, जेथे जागा मर्यादित आहे आणि इन्सुलेशन महत्त्वपूर्ण आहे.

2.कठोर किंवा प्रदूषित वातावरणात (धूळ, ओलावा, रसायने) जेथे खुले भाग किंवा तेल खराब होऊ शकते.

3. मीटरिंग आणि संरक्षण सर्किट्समध्ये ज्यांना दीर्घ कालावधीसाठी स्थिर, अचूक मापन आवश्यक आहे.

4.ॲप्लिकेशन्स जेथे कमी देखभाल आणि उच्च विश्वासार्हता महत्त्वाची आहे.

हॉट टॅग्ज: राळ कास्ट करंट ट्रान्सफॉर्मर पुरवठादार, इलेक्ट्रिकल सीटी ट्रान्सफॉर्मर उत्पादक, कस्टम सीटी ट्रान्सफॉर्मर घाऊक
चौकशी पाठवा
संपर्क माहिती
  • पत्ता

    नं. 391, जिंगकी रोड, यानपान औद्योगिक क्षेत्र, युएकिंग सिटी, झेजियांग प्रांत, चीन

  • दूरध्वनी

    +86-577-62731111

  • ई-मेल

    info@xifaele.com

तुमचे कोटेशन लवकरात लवकर मिळवण्यासाठी

XiFa- तुमचा विश्वासार्ह विद्युत उपकरण पुरवठादार
X
आम्ही तुम्हाला एक चांगला ब्राउझिंग अनुभव देण्यासाठी, साइट रहदारीचे विश्लेषण करण्यासाठी आणि सामग्री वैयक्तिकृत करण्यासाठी कुकीज वापरतो. ही साइट वापरून, तुम्ही आमच्या कुकीजच्या वापरास सहमती देता. गोपनीयता धोरण
नकार द्या स्वीकारा